2.00MM (0.079'') PITCH VROUWELIJKE HEADER
SPECIFICATION
MATERIALS (contacten): Phosphor Bronze, Gold of Tin (over Nickel) afwerking
MATERIALS (HOUSINGS): Standard of High Temperature Plastic, beoordeeldnaar UL94V-0 RoHS
CURRENT: 2A per contact
MAXIMUM spanning: 500V AC
contact BESCHERMING: 20mΩmax
INSULATION BESCHERMING: 1.000 mΩmin
Gebruiksanwijzing TEMPERATUUR:-40 ℃ tot 105 ℃
max Verwerking Term .: 230 ℃ 30~60 seconden (260 ℃ gedurende 10 seconden)
DURABILITY: 300 mating cycli (goud) of 50 mating cycli (tin)
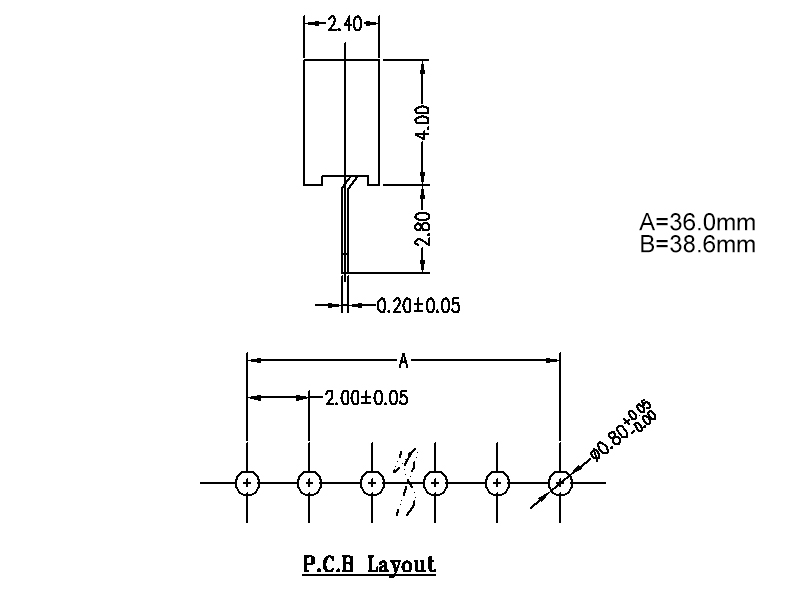
DRAWING
Package in tape: Deze type verpakking voor SMT connectoren, pinnen tegen vervorming
Convenient voor automatisering en pickup verwerken en opslaan veel arbeidskosten
Package in Buis:. Deze type verpakking is geschikt voor vele soorten aansluitingennaar behoefte, deze verpakkingsmethode beter beschermt de pennen misvorming
Package PE zakken:.Dit is de common verpakkingen, geschikt om prode denaaldniet gemakkelijk vervormd, hetnadeel is dat het productbescherming klein is, is het voordeel kostenbesparing
Package in Blister box:.Commonly gebruikte verpakking, wat vergelijkbaar met blister buis verpakking, kan een betere bescherming van het product steek.
Wat is vrouwelijke header (socket header)?
A vrouwelijke Header is een type connector. Het iseen soort universele aansluitinrichting schaal gebruikt in de elektronica, elektrische apparaten, meter instrumenten, enz
different vorm van buscontact:
het algemeen zijn er twee soorten terminal voor de vrouwelijke kopstuksamenstel. Een Y-shaped terminal, heeft twee contactpunten voor het koppelen pin header verbinding, zullen we dit type gebruiken tijdens het monteren hoge plastic vrouwelijke kop. En de andere U-shaped terminal drie contactpunten maken een goede verbinding terwijlpairing met speldkopballen, meestal deze terminal worden gebruikt voor het samenstellen vanaf height kunststofmatrix header.
Wat is de functie socket header?
Zijn functie is te functioneren als een brug tussen geblokkeerde of geïsoleerd circuits in het circuit. Het opdracht geven stroom of signaaltransmissie wordt meestal gebruikt met het moederbord om een plank-om-board verbinding te vormen; of met elektronica Het harnas uiteinden worden samen gebruikt om een plank-om-wire verbinding te vormen; ze kunnen ook onafhankelijk worden gebruikt voor board-in-board verbinding.
how veel modellen heeft die we hebben over socket header?
daar de door verschillende elektronische producten specificatiesniet identiek zijn, zijn er ook een verscheidenheid aan modellen voor de vrouwelijke kop. Het product kan volgens de tussenruimte te verdelen in 2,54 mm, 2,00 mm, 1,27 mm, 1,00 mm, 0,8 mm (andere speciale tussenruimte kan ook worden aangepastnaar behoefte). according het aantal rijen, zijn er een rij vrouwelijke header, vrouwelijke header dubbele rij, drie rijen vrouwelijke header, etc. Volgens de verpakking gebruik, er patch SMT, plug-in DIP (inline/bend). Het tegelijkertijd om samen te werken met de overeenkomstige speldkopballen , verschillende maten van de vrouwelijke header can worden aangepast.

naam: Haimei Liang
Functietitel: sales manager
afdeling: Sales Department
Bedrijfstelefoon: +86 0769 83450370
E-mail: Neem contact met ons op
Mobiele telefoon: +86 18929181819
Website: dgwin.invipb2b.com
Adres: No.67,Dongshen Road,Qiaotou Town,Dongguan City,China