2.54mm (0.1'') pitch vrouwelijke koptekst
Specification
current Rating: 2 AMP insulator weerstand:
1000 MΩ MIN DIELLECTRRONE BENOEGERS: AC 500V Contact Weerstand:
20mΩ Max. Operating Temp.:
-+
n 40 ℃ to 105 ℃MAX verwerking temp:
230 ℃ voor 30 aan 60 seconden (260 ℃ gedurende 10 seconden)+insulatiemateriaal :-
pa6t 30% ul94v 0 ROHS CONTACT Materiaal:
fosfor Bronze atgelated (* Standaard):
gouden flits alle over
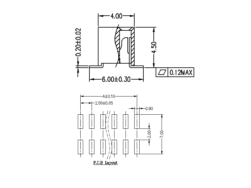
drawing
De dimensie van dit model worden weergegeven zoals hieronder. U kunt de beschikbare deimension volgens uw ontwerp selecteren.

naam: Haimei Liang
Functietitel: sales manager
afdeling: Sales Department
Bedrijfstelefoon: +86 0769 83450370
E-mail: Neem contact met ons op
Mobiele telefoon: +86 18929181819
Website: dgwin.invipb2b.com
Adres: No.67,Dongshen Road,Qiaotou Town,Dongguan City,China