2.54MM (0,1'') PITCH PIN HEADER
SPECIFICATION
MATERIALS (contacten): Copper Alloy, Gold of Tin (over Nickel) afwerking
MATERIALS (HOUSINGS): Standaard of High Temperature Plastic , beoordeeldnaar ul94v-0
0
0
0
current: 3A per contact
maximale spanning: 800v AC, 500V DC-
contact resistentie: 30mΩ maxINSULATION BESCHERMING: 1,000MΩ min
Gebruiksanwijzing TEMPERATUUR:
DURABILITY: 300 mating cycli (goud) of 50 cycli paring (tin)

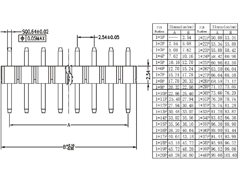
U kunnen de afmetingen unodig overeenkomstig aanpassen om de volgende tekeningen.
(in contact met sales team om meer details over de afmetingen te krijgen)
/
Supply verschillende SPEC. Pin HeaderFemale Header Series aan verschillende behoeften van de klanten
voldoen
&#
Wat 39;? s Pin header
&Pin Header is een soort elektrische connector. We meestal afgekort als PH of eenvoudige header,#en de reputatie universele connectors.This type connector wordt veel gebruikt in PCB printplaten in de elektronica, elektrische apparaten en meters.
Wat
39,? s de functie van pinheaderits functie te functioneren als een brug tussen geblokkeerde of geïsoleerd schakelingen in de printplaat circuit en verantwoordelijk voor huidige en signaaloverdracht.
-- """"Wat zijn HRE pennenstrip modellen?""
er zijn vele soorten speldkopballen die geclassificeerd volgens denormen van de elektronica-industrie om verschillende behoefte te voldoen. Volgens de ruimte kan het ruwweg worden verdeeld in 2,54 mm (0,1 in), 2,0 mm (0,079 in), 1,27 mm (0,05 in), 1,0 mm (0,04 in), 0,8 mm (0,03 in). De afstand tussen pinnen wordt gewoonlijk aangeduid als pitch in de elektronische gemeenschap. Volgens het aantal rijen, zijn er enkele rij, dubbele rij, drie rijen, etc. volgens de pakket gebruik, er vlekken SMT (oppervlaktemount technologie-uitvoering) en plugin DIP (pen doorgangsopening apparaten), Hiertoe kunnen SMT-pin-headers worden onderverdeeld in horizontale pin header en verticale pin header en dip-types kunnen worden onderverdeeld in rechte invoegspeldekracht en buiginvoer pin-header. Daarnaast hebben wij verdeelde het in drie typen volgens hun installatiemethode 180 ° installatie weergegeven doorS
, 90 ° installatie weergegeven doorWen SMT installatie weergegeven door&T#.
What
What39; s Het toepassingsbereik van pin header?

naam: Haimei Liang
Functietitel: sales manager
afdeling: Sales Department
Bedrijfstelefoon: +86 0769 83450370
E-mail: Neem contact met ons op
Mobiele telefoon: +86 18929181819
Website: dgwin.invipb2b.com
Adres: No.67,Dongshen Road,Qiaotou Town,Dongguan City,China